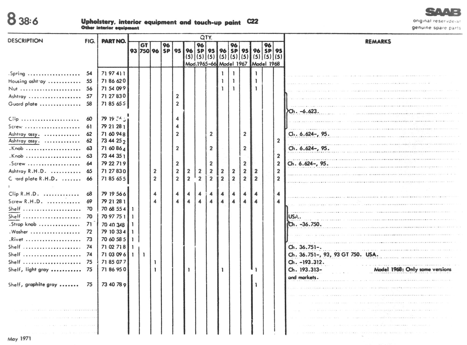
6-C22         ↑ Main Index     < Previous     Next >

6-C22