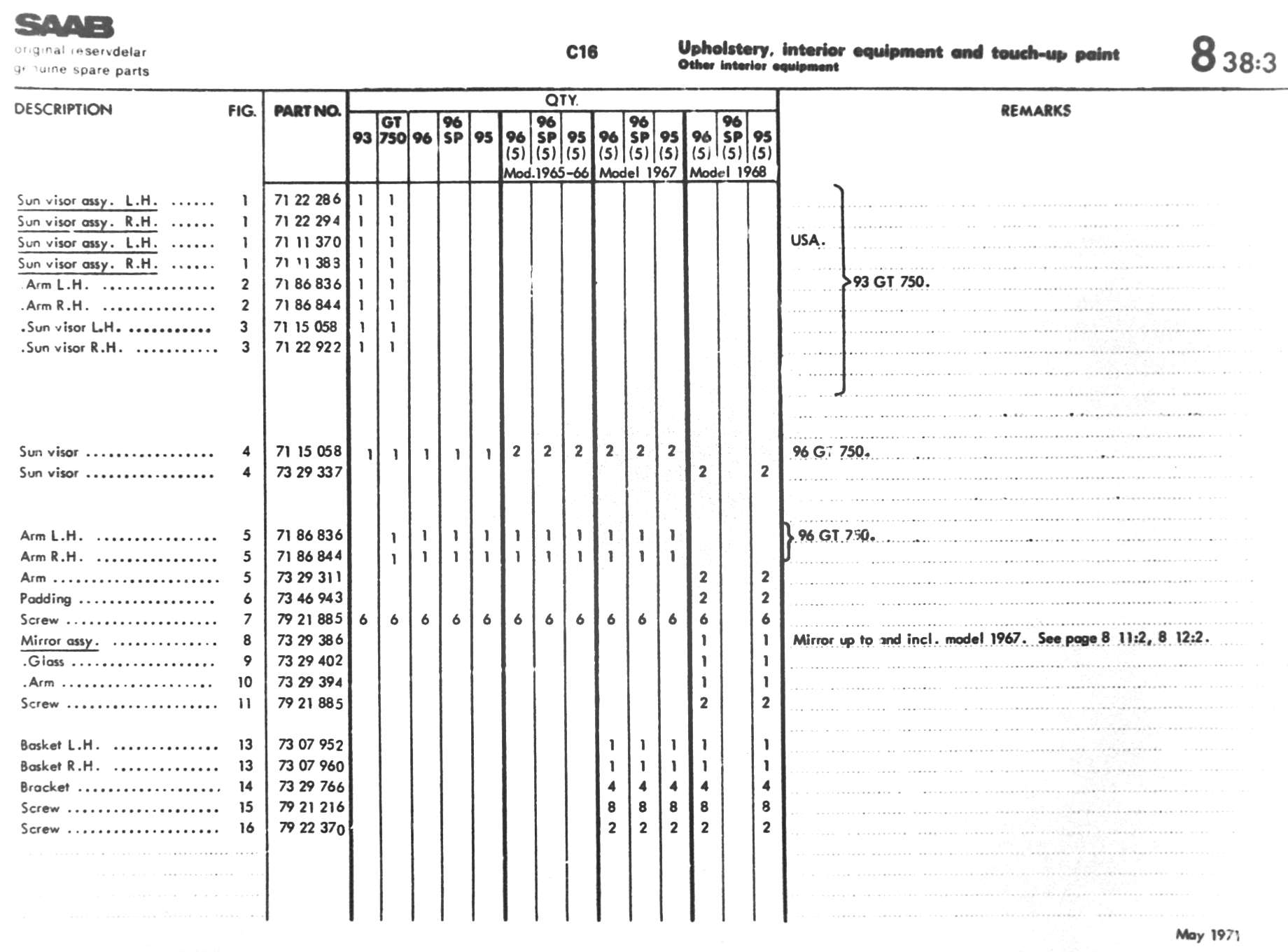
6-C16         ↑ Main Index     < Previous     Next >

6-C16