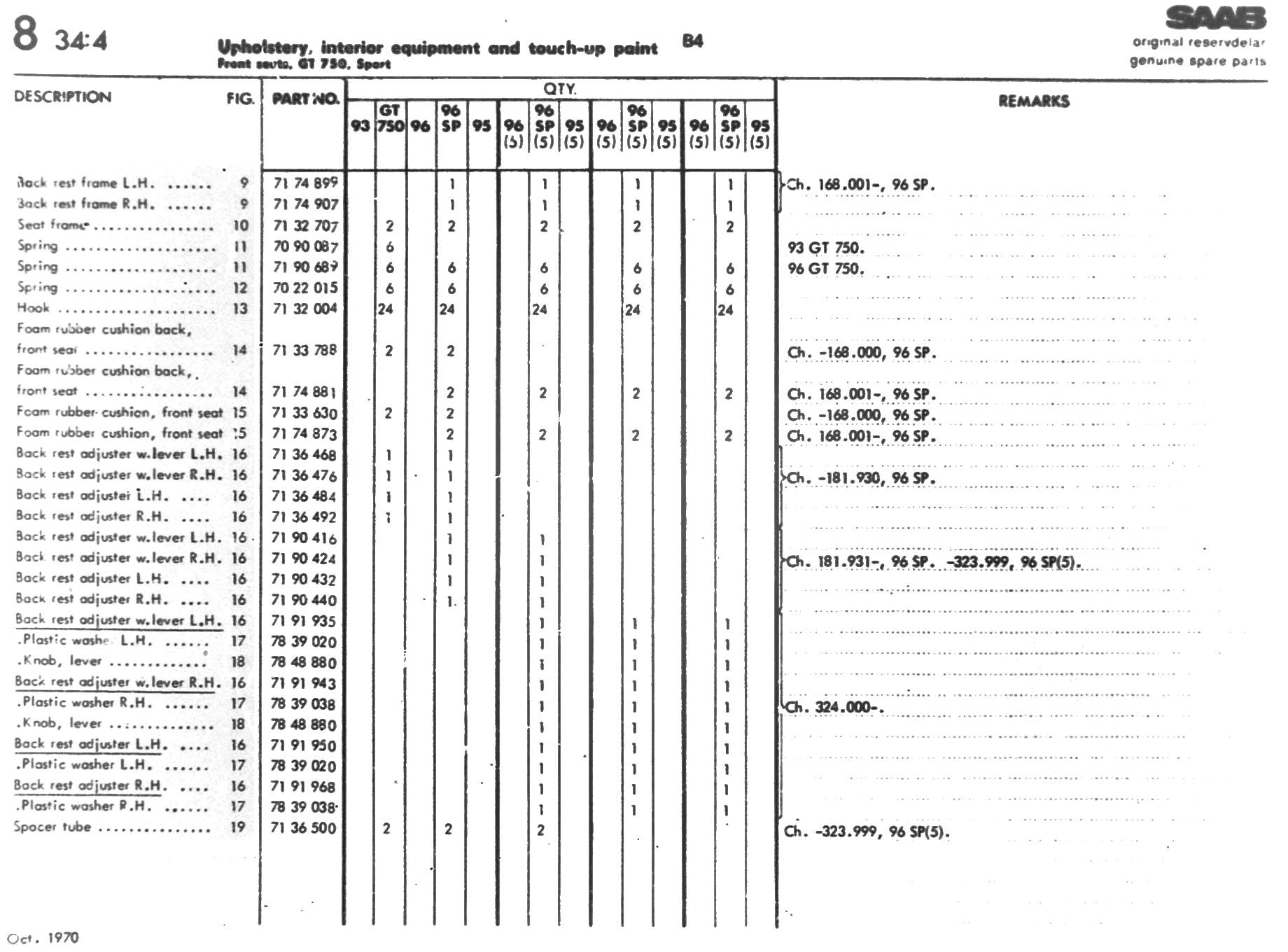
6-B04         ↑ Main Index     < Previous     Next >

6-B04