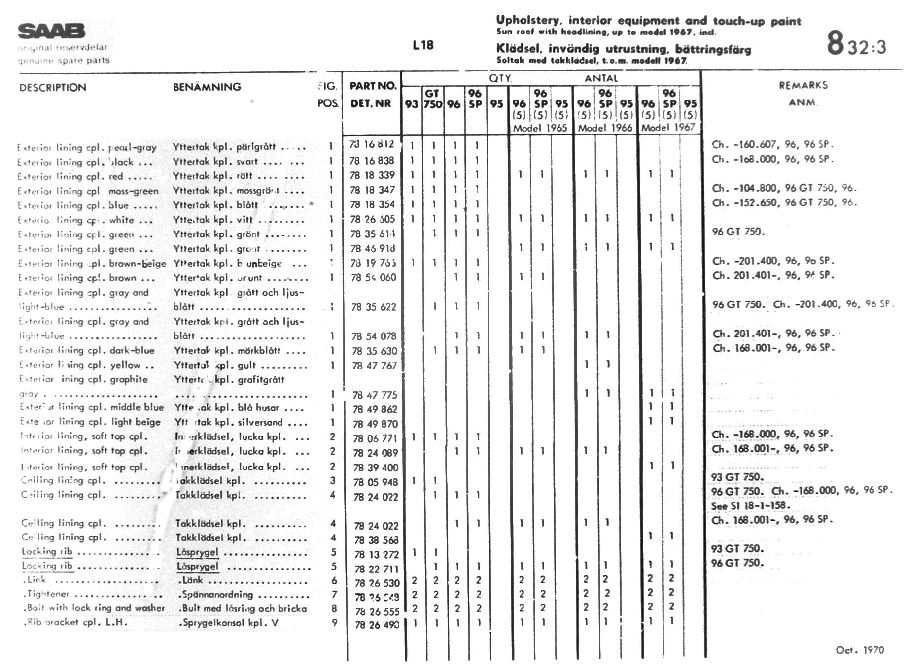
5-L18         ↑ Main Index     < Previous     Next >

5-L18