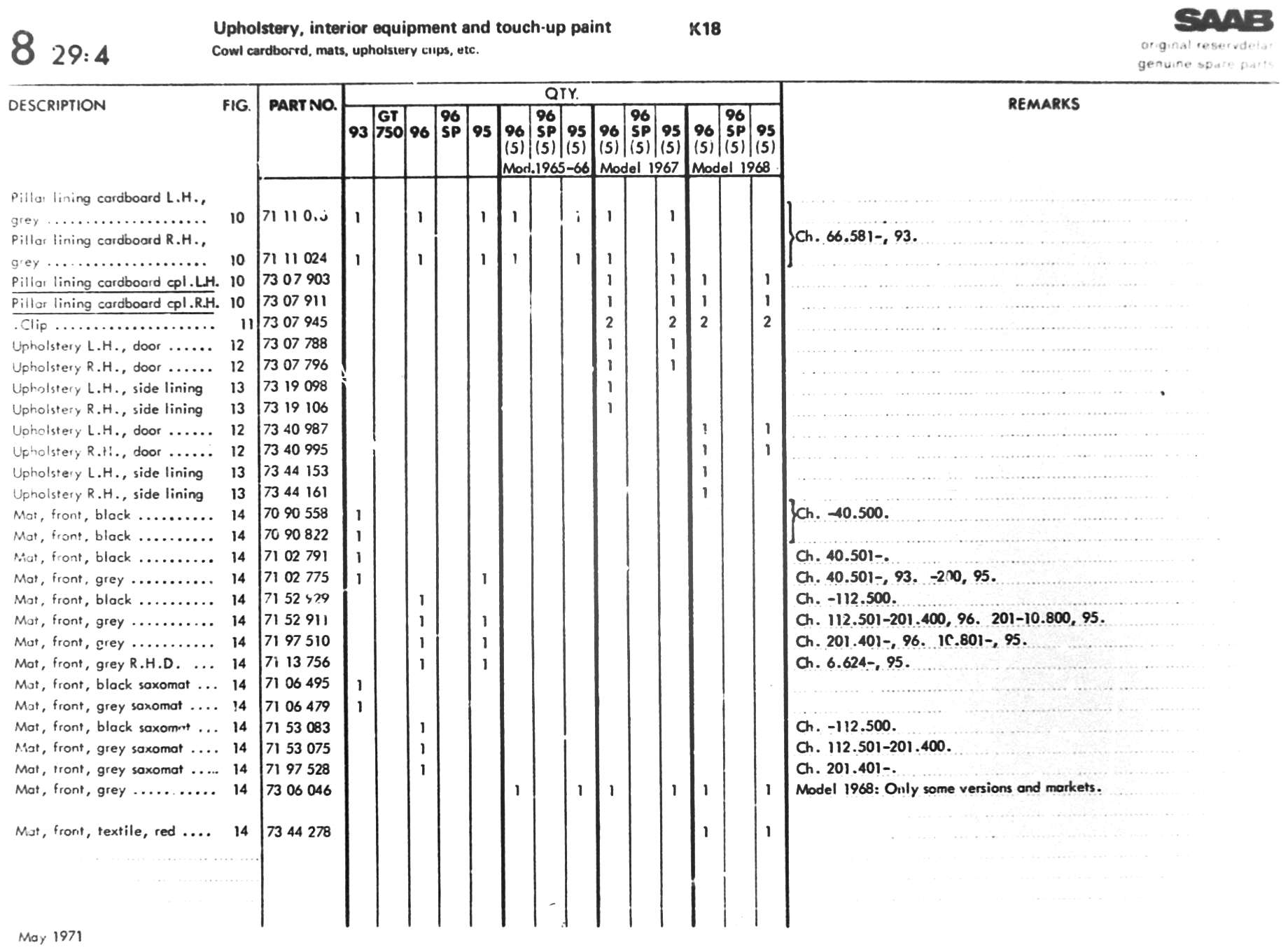
5-K18         ↑ Main Index     < Previous     Next >

5-K18