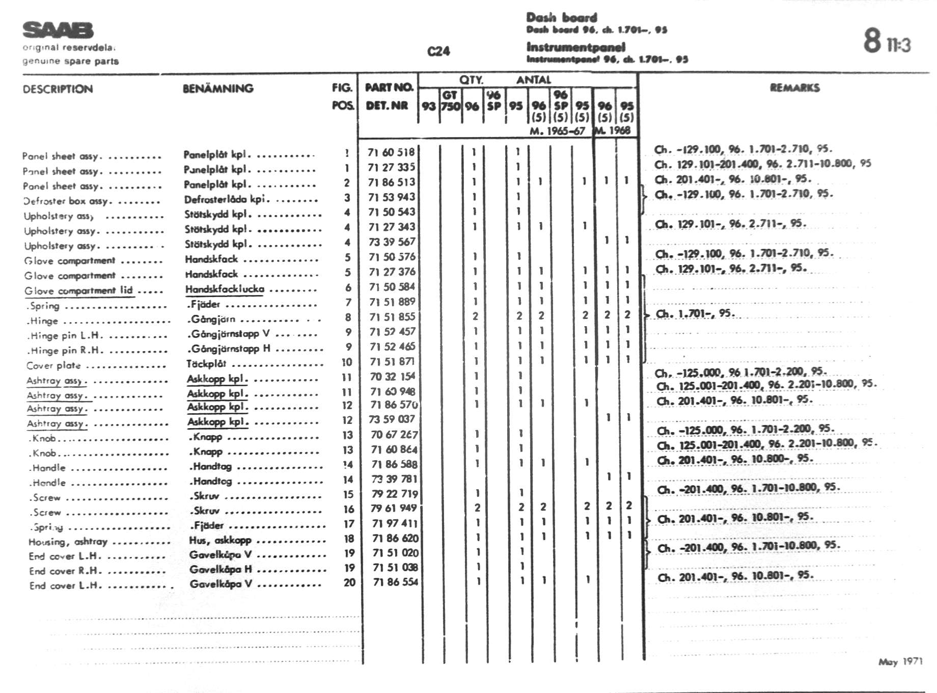
5-C24         ↑ Main Index     < Previous     Next >

5-C24