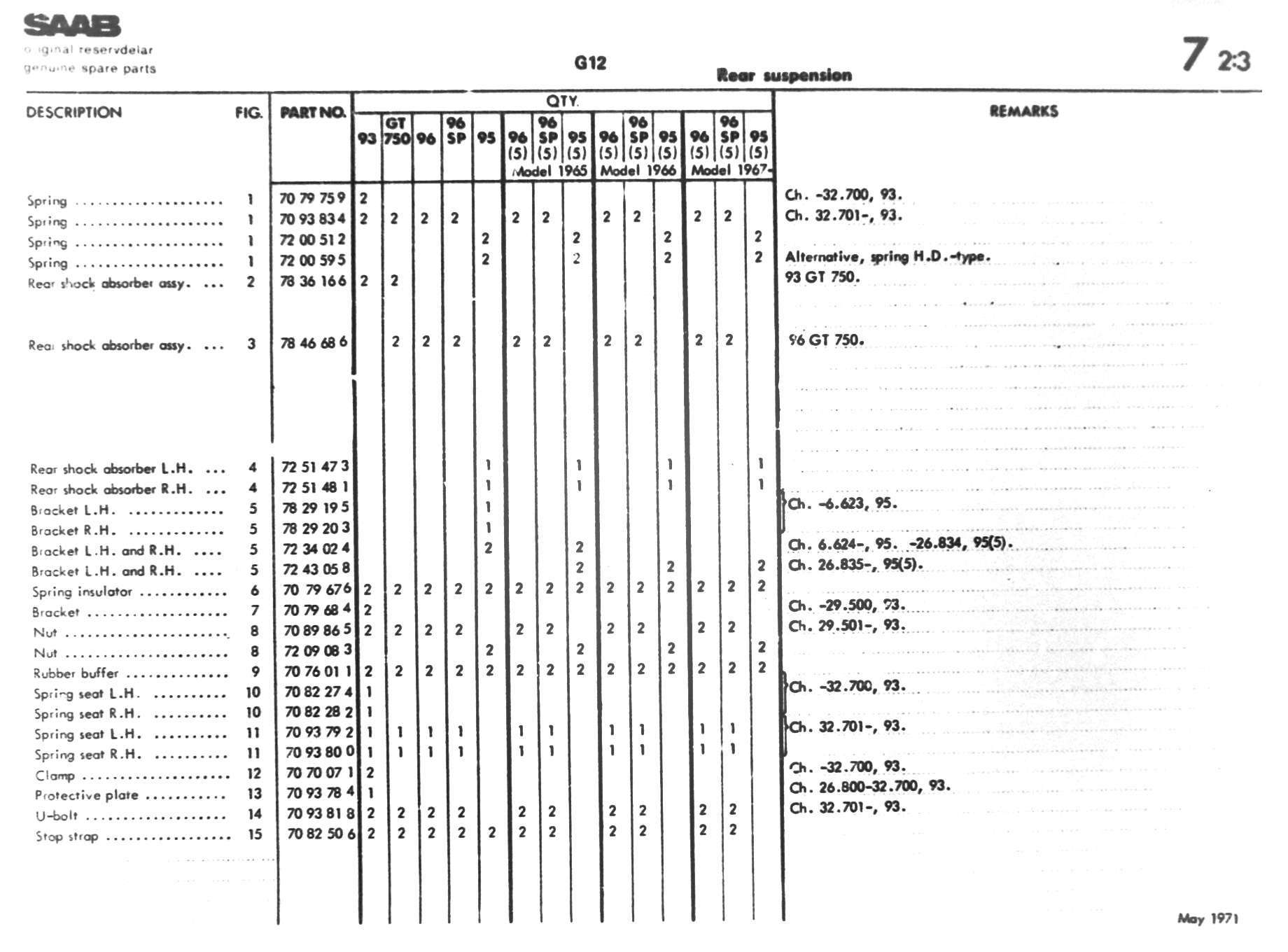
4-G12         ↑ Main Index     < Previous     Next >

4-G12