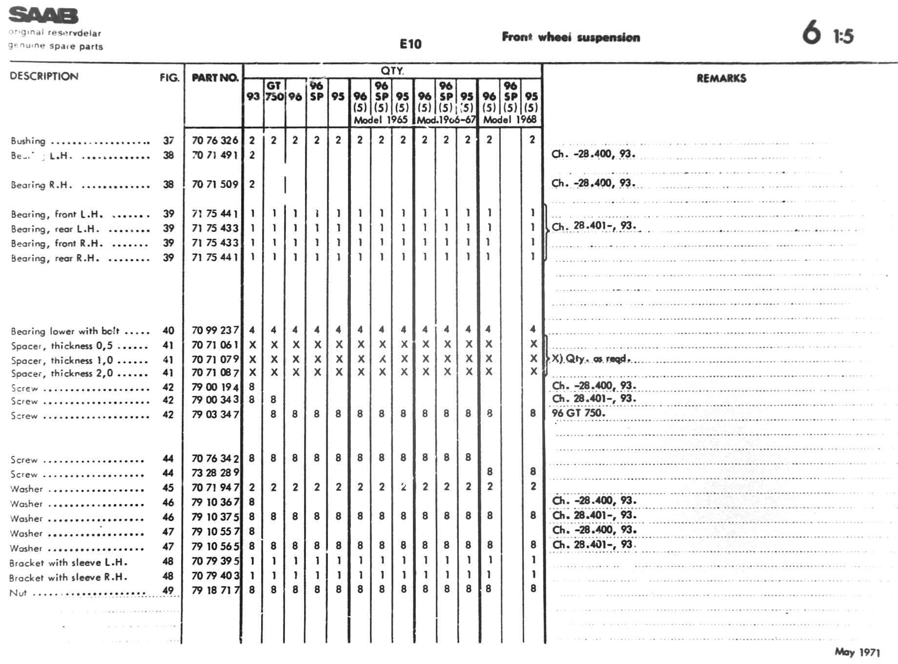
4-E10         ↑ Main Index     < Previous     Next >

4-E10