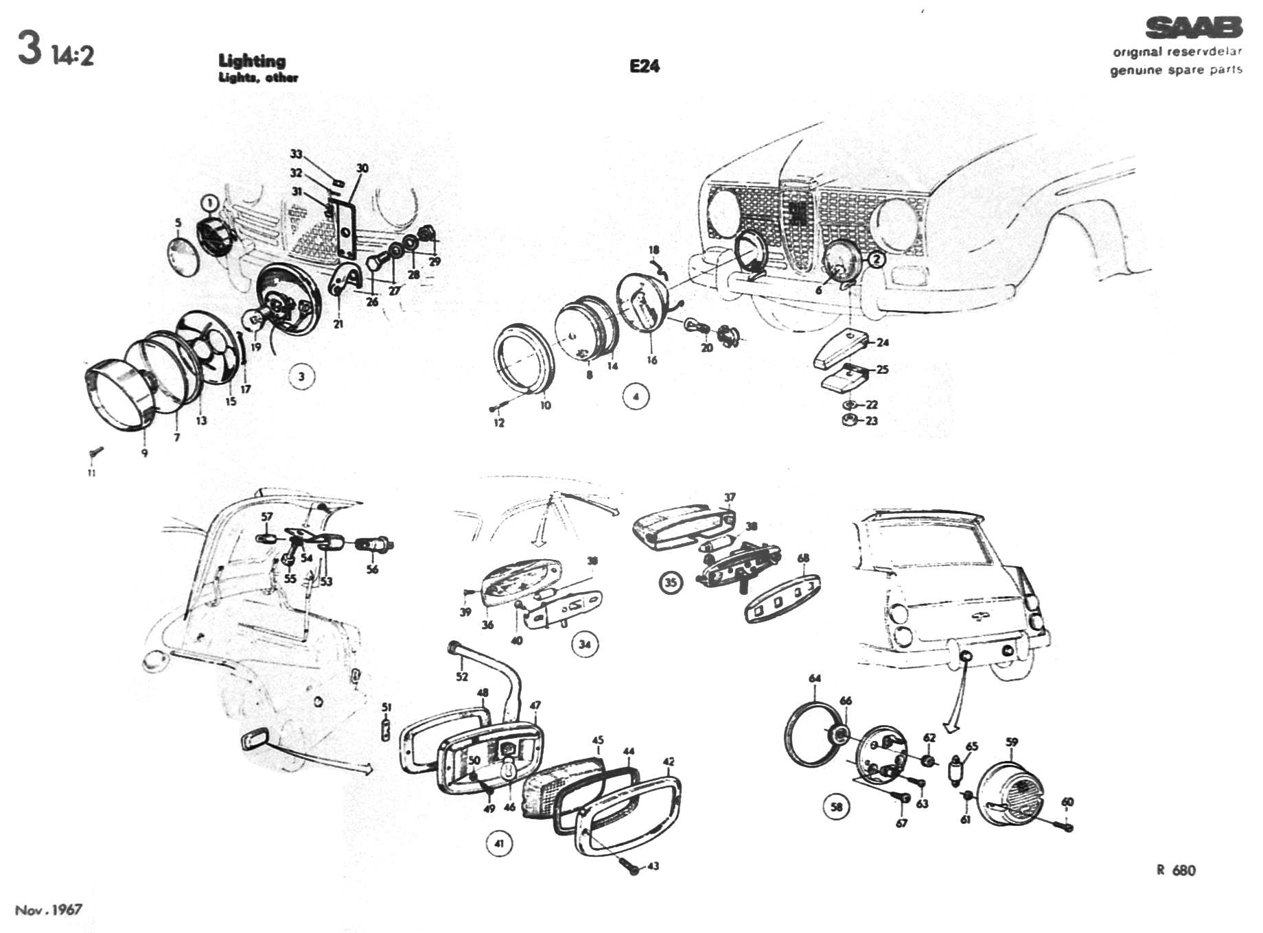
3-E24         ↑ Main Index     < Previous     Next >

3-E24