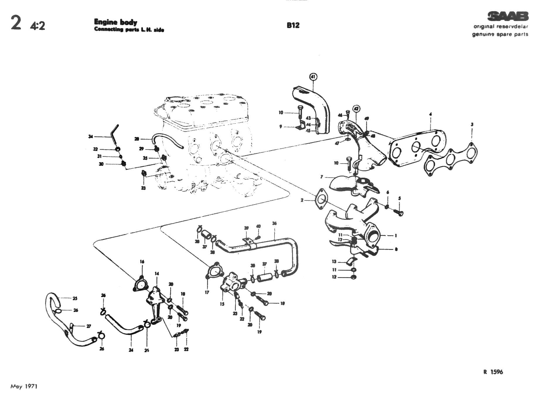
2-B12         ↑ Main Index     < Previous     Next >

2-B12