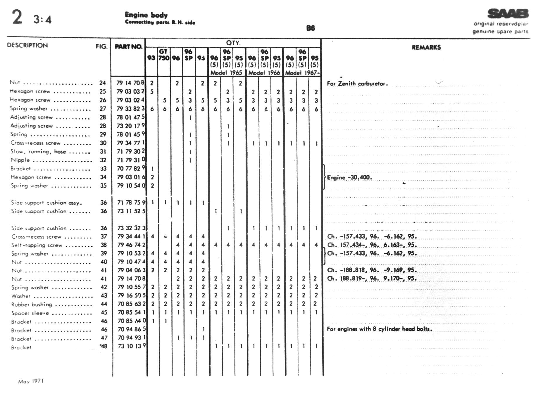
2-B06         ↑ Main Index     < Previous     Next >

2-B06